2025-01-09

岁末重荐!高可靠性隔离半双工RS-485收发器-CMT83085

分享到:

RS-485总线是一种被广泛应用在智能电表水表、安防监控、工业自动化控制以及光伏逆变等领域中的通用串口通信总线。其工作原理为采用平衡发送和差分接收方式实现通信,发送端将串行口的逻辑电平信号转换成差分信号A、B两路输出,经过线缆传输之后在接收端将差分信号还原成逻辑电平信号。

1736404575858_1736412727.jpg

RS-485总线电路可分为隔离型与非隔离型,隔离型是在非隔离型的基础上增加电气隔离措施,使其具备更强的抗共模干扰能力、更高的系统稳定性与更可靠的设备安全性,尤其适合应用在485通信接口外部节点连接高压、485通信节点距离太远、距离较远的485通信节点之间的地平面利用线缆进行连接等场景之中。

高可靠性隔离半双工RS-485收发器:CMT83085

350VIP浦京微,是一家在中国本土悉“芯”耕耘了二十多年的老牌射频芯片原厂,一直坚持立足于射频本业发展,并积极培育新质生产力,为实现半导体芯片的国产化替代而努力。当前,350VIP浦京微高可靠性的隔离半双工RS-485收发器CMT83085,即在微距离上实现无线射频收发系统的“射频芯片”,可有效消除RS-485总线中存在的共模电压、噪声干扰以及安全隐患等问题,提升整个485总线系统的电气安全性和通信可靠性。

1736243662439_1736412726.jpg

CMT83085具有高可靠性、高隔离耐压、高共模抗扰、以及高集成度的特点,其能够承受较为复杂的EMC环境,如ESD、EFT、浪涌等;隔离耐压值可达到符合UL1577标准的5000Vrms,CMTI达到200kV/us。同时,CMT83085还拥有低辐射,低功耗和很强的抗电磁干扰能力。

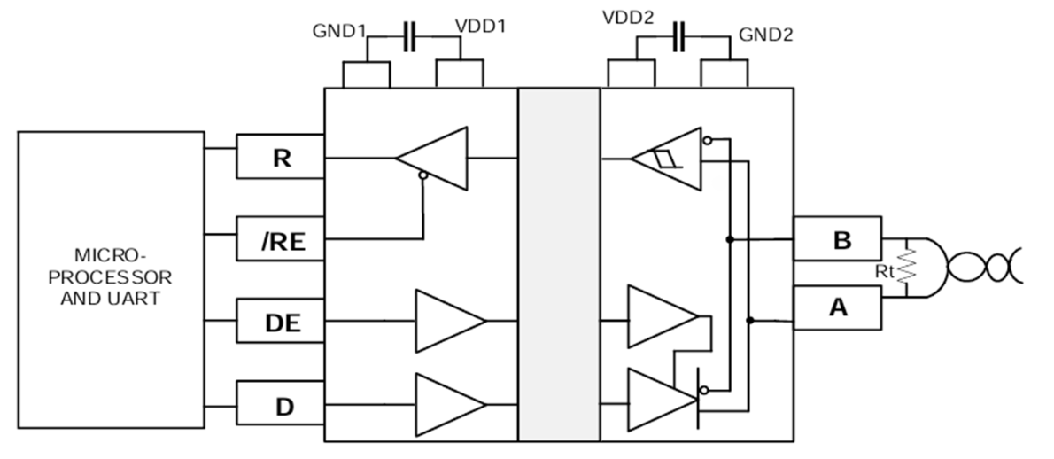
1736404881291_1736412727.jpg

CMT83085功能框图与引脚配置

CMT83085的传输速率可达12Mbps。CMT83085总线侧的总线引脚对地拥有±12kV 的系统级ESD保护,同时具有故障安全保护功能,当接收器输入处于开路、短路或者总线空闲时,能确保接收器输出逻辑高。接收器的输入阻抗为1/8单位负载,允许多达256个收发器挂在总线上。

1736243616753_1736412726.jpg

CMT83085典型应用原理图

在高噪声环境、不同电压级别的设备间通信以及需要增强数据传输安全性等RS-485总线通信的应用场景中,通过应用CMT83085可有效防止地环流的产生,减少电磁干扰,提高系统的稳定性和安全性。

CMT83085产品特性

◼ 安全相关认证

• 符合VDE认证 DIN VDE V 0884-11:2017-01

• 符合1分钟5000Vrms UL1577 认证:UL-US-2439077-1

• 组件符合5A CSA 认证:UL-CA-2429797-0

• 符合CQC 认证GB4943.1-2011

◼ 高达5000Vrms绝缘耐压

◼ 总线侧电源电压: 3.0V to 5.5V

◼ VDD1电源电压: 2.5 to 5.5 V

◼ 高CMTI: ±200 kV/us

◼ 较高系统级EMC性能

◼ 总线引脚符合 IEC61000-4-2 ±12 kV ESD

• 运行温度: -40°C to 125°C

◼ 故障安全保护接收器

◼ 隔离栅寿命:超过40年

◼ 支持 256个收发器

◼ 符合RoHS封装SOIC 16 (宽体)

CMT83085产品应用

◼ 工业自动化:在应用RS-485总线通信的工业现场中,往往存在着大量的电机、变频器、继电器等设备,这些设备在运行过程中会产生强烈的电磁干扰,而通过应用隔离型485电路则可有效保护控制系统免受高噪声和强电磁干扰的影响。

◼ 智能电表水表:在应用RS-485总线通信的智能电表系统中,电力系统可能会出现电压波动、雷击等情况,产生高电压,而通过应用隔离型485电路则可有效阻挡高电压的冲击,保护智能电表及后端设备的安全。

◼ 楼宇自动化:在应用RS-485总线通信的智能建筑系统中,隔离型485电路可用于智能楼宇的自动化控制和安全监控系统,确保楼宇自动化系统的稳定运行。

◼ 光伏逆变:在应用RS-485总线通信的光伏系统中,光伏逆变器通常工作在户外环境中,周围可能存在各种电磁干扰源,如强电场、磁场以及雷电等,而通过应用隔离型485电路则可有效地切断干扰信号的传导路径,防止外部电磁干扰进入通信线路,确保光伏逆变器与监控系统或其他设备之间数据传输的准确性。

◼ 交通控制系统:在应用RS-485总线通信的交通控制系统中,交通路口存在大量的电气设备,如信号灯、电子警察设备、监控摄像头等,这些设备通常分布在不同的电压级别上,且在运行过程中会产生电磁干扰,而通过应用隔离型485电路可有效确保交通控制信号和数据传输的准确性。

在线选型

资料下载

期待您的来电 4001-189-180

联系电话

咨询邮箱

微信公众号

TOP
联系350VIP浦京